Ningbo Richge Technology Co., Ltd.
Ningbo Richge Technology Co., Ltd.
Produtos
VBI-24 Tipo fixo Cilindro de isolamento MV Vacuum disjuntor
  • VBI-24 Tipo fixo Cilindro de isolamento MV Vacuum disjuntorVBI-24 Tipo fixo Cilindro de isolamento MV Vacuum disjuntor
  • VBI-24 Tipo fixo Cilindro de isolamento MV Vacuum disjuntorVBI-24 Tipo fixo Cilindro de isolamento MV Vacuum disjuntor

VBI-24 Tipo fixo Cilindro de isolamento MV Vacuum disjuntor

Model:VBI-24
O disjuntor de vácuo interno da série VBI é uma nova geração de disjuntores de vácuo inteligentes. Seus componentes ativos, incluindo o interruptor de vácuo de alto desempenho e os terminais de saída superior e inferior, são encapsulados nos terminais pós-resina epóxi. Esse design ajuda a prevenir a contaminação na superfície do interruptor de vácuo, aumentando suas propriedades de isolamento, estabilidade mecânica e prolongando sua vida útil operacional. O mecanismo de operação do copo de circuito de vácuo do tipo montado no lado VBI-24 é usado em energia da mola para armazenamento, que pode ser operada por duas maneiras, manual ou elétrica. As características estão de acordo com GB1984-89, JB3855-96<10kv Indoor High Voltage Vacuum Circuit Breaker General Technical Specifications>, Disposições relevantes do padrão IEC56. O disjuntor de vácuo de alta tensão de alta tensão VBI-24 é a tensão nominal de 50Hz de AC 50Hz, do dispositivo interno de 24kV, para empresas industriais e de mineração, usinas e subestações como fins de controle e proteção de equipamentos elétricos e para operação frequente do local.

VBI-24 Tipo fixo Cilindro de isolamento MV Vacuum disjuntor

   A série VBI-24 do disjuntor de vácuo de alta tensão interna com pólos incorporados é de três frases a.c.50 Hz de equipamentos de distribuição de energia interna com a tensão nominal de 24 kV.

   O principal circuito condutor desse tipo de disjuntor de vácuo com mecanismo de mola é incorporado, que pode melhorar bastante a confiabilidade do isolamento, desempenho mecânico e de quebra e realmente percebe a manutenção livre e a vida útil mecânica e elétrica mais longa. A capacidade atinge o grau de M-E2-C2.

   O produto é usado para muitos tipos de porta-chaves, como o KYN28-24 (GZS1) e pode ser instalação fixa.

  O disjuntor de vácuo de alta tensão de alta tensão VBI-24 é a tensão nominal de 50Hz de AC 50Hz, do dispositivo interno de 24kV, para empresas industriais e de mineração, usinas e subestações como fins de controle e proteção de equipamentos elétricos e para operação frequente do local.







Informações básicas.


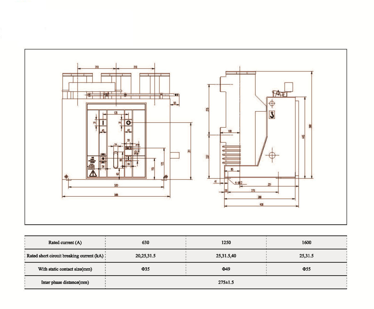
Parâmetros técnicos




Desenhos técnicos

Perguntas frequentes

P: Eu poderia ter preços de seus produtos?

A: Bem -vindo. Sinta -se à vontade para nos enviar uma consulta aqui. Nós responderemos você dentro de 24 horas.


P: Posso obter uma amostra antes da ordem em massa?

R: Sim, agradecemos a ordem de amostra para testar e verificar a qualidade. Amostras misturadas são aceitáveis.


P: Podemos imprimir nosso nome de logotipo/ empresa em produtos?

R: Sim, é claro, aceitamos OEM e depois precisamos você fornecer autorização da marca


P: Você aceita a personalização do produto?

R: Sim, é claro, forneça desenhos ou parâmetros específicos, vamos citar você após a avaliação


P: Qual é o tempo de entrega?

R: O prazo de entrega depende das quantidades solicitadas, geralmente dentro de 7 a 20 dias após o recebimento do pagamento.


P: Quais são os seus termos comerciais?

R: Aceitamos EXW, FOB, CIF, FCA, etc.


P: Qual é o seu método de pagamento?  

R: Aceitamos T/T, Western Union, PayPal, L/C irrevogável à vista, etc.


P: Você inspeciona os produtos acabados?

R: Sim, cada etapa de produção e produtos acabados será inspeção pelo departamento de CQ antes de enviar. E forneceremos relatórios de inspeção de mercadorias para sua referência antes de remessa


P: Como resolver os problemas de qualidade após as vendas?

R: Tire fotos dos problemas de qualidade e envie -nos para nossa verificação e confirmação, faremos uma solução satisfeita para você dentro de 3 dias.




Fábrica


Certificado




Hot Tags: VBI-24 Tipo fixo Cilindro de isolamento fixo Vacuum MV Vacuum disjuntor, China, fabricante, fornecedor, fábrica, preço baixo, qualidade, venda mais recente, avançado
Enviar consulta
Informações de contato
Para dúvidas sobre painéis de baixa tensão, isoladores de alta tensão, seccionadores de aterramento de alta tensão ou lista de preços, deixe seu e-mail para nós e entraremos em contato em até 24 horas.
X
Utilizamos cookies para lhe oferecer uma melhor experiência de navegação, analisar o tráfego do site e personalizar o conteúdo. Ao utilizar este site, você concorda com o uso de cookies. política de Privacidade
Rejeitar Aceitar