Ningbo Richge Technology Co., Ltd.
Ningbo Richge Technology Co., Ltd.
Produtos
Zn12-12 Series Integrado Circuito Integrado Circuum Disjuntor
  • Zn12-12 Series Integrado Circuito Integrado Circuum DisjuntorZn12-12 Series Integrado Circuito Integrado Circuum Disjuntor
  • Zn12-12 Series Integrado Circuito Integrado Circuum DisjuntorZn12-12 Series Integrado Circuito Integrado Circuum Disjuntor

Zn12-12 Series Integrado Circuito Integrado Circuum Disjuntor

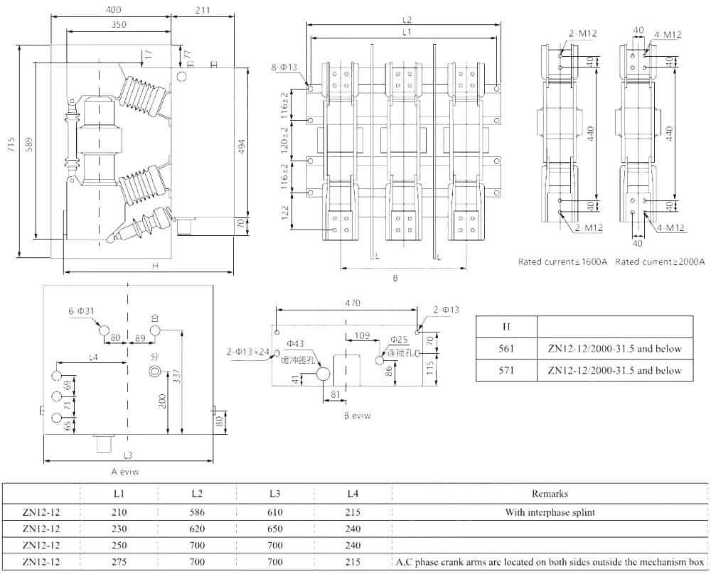
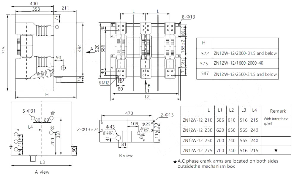
Model:ZN12-12
O disjuntor de vácuo AC HV da série Zn12-12 é o equipamento interno de três fases AC 50Hz, tensão nominal de 12kV, que introduziu a tecnologia da empresa alemã. É adequado para área com todos os tipos de carga e operação frequente e pode ser usado para proteção e controle de instalações elétricas industriais e de mineração, empreendimentos, usinas e subestações. Este produto está de acordo com os requisitos relacionados dos padrões GB1984, JB3855, DL403 e IEC.

Zn12-12 Series Integrado Circuito Integrado Circuum Disjuntor

  Zn12-12 Vacador de vácuo de alta tensão Zn12-12 A tensão nominal de 12kV e a seguinte porta de chave de alta tensão interna, instalada principalmente em equipamentos de comutação fixa, para empresas industriais e de mineração, usinas de energia e subestações para a proteção e controle das instalações elétricas e são adequadas para quebrar cargas importantes e a operação freqüente da local!

  Os disjuntores de vácuo da série Zn12 são dispositivos internos de alta tensão com tensões nominais de 12kV, 24kV e 40,5kV e AC 50Hz trifásico. É um produto doméstico desenvolvido pela introdução da tecnologia alemã Siemens 3AF. O mecanismo operacional do disjuntor é do tipo de armazenamento de energia da mola, que pode ser operado por CA ou CC ou manualmente. O disjuntor possui estrutura simples, forte capacidade de quebra, vida útil longa e funções de operação completas. E não há perigo de explosão, e a manutenção é simples. É adequado para a chave de controle ou proteção de sistemas de transmissão e distribuição de energia, como usinas de energia, subestações e empresas industriais e de mineração, especialmente adequadas para quebrar cargas importantes e locais de operação frequentes. O formulário de instalação do disjuntor no gabinete do interruptor pode ser um tipo fixo ou um disjuntor do tipo retirada.


Vantagens:

1. O disjuntor aprovou a avaliação do Ministério das Máquinas e do Ministério da Energia Elétrica em 96 de agosto, o que significa que a qualidade é absolutamente garantida.

O mecanismo do disjuntor é integrado ao comutador e o mecanismo de atuador do tipo de armazenamento de energia de mola especial pode ser operado por armazenamento de energia CA e CC ou operado manualmente.

Com estrutura simples, forte capacidade de quebra, vida útil longa, funções de operação completas, sem perigo de explosão e fácil manutenção, esse disjuntor é adequado para a comutador de controle ou proteção do sistema de transmissão e distribuição de energia, como usina de energia, grade de energia da cidade, subestação, etc. É especialmente adequado para quebrar cargas importantes e locais com operação frequente.


Características:

1. A capacidade de ruptura da câmara de extinção do arco é alta, a capacidade de carga atual é baixa e a vida elétrica é longa.

2. O layout é da frente para trás, estrutura simples e compacta, operação completa e manutenção fácil.

3. Para estruturar e instalar, eles podem ser divididos em: tipo fixo horizontal, tipo fixo inclinado, tipo de conjunto médio.






Informações básicas.



Parâmetros técnicos



Desenhos técnicos


Condições de uso do zn12-12 do interruptor integrado Vacuum Circuum Rreaker1. Altitude: ≤1000 m; (A altitude do protótipo pode atingir abaixo de 4000 metros)

2. Temperatura ambiente: mais alta +40 ° C, mais baixa -25 ° C;

3. Umidade relativa: média diária não superior a 95%, média mensal não superior a 90%;

4. Intensidade do terremoto: menor que 8;

5. Ambiente de instalação: sem incêndio, risco de explosão, sem gás corrosivo e nenhum local de vibração violento.

6. Entre em contato com o fabricante do disjuntor de vácuo se o ambiente de uso exceder o acima.




Perguntas frequentes

P: Eu poderia ter preços de seus produtos?

A: Bem -vindo. Sinta -se à vontade para nos enviar uma consulta aqui. Nós responderemos você dentro de 24 horas.


P: Posso obter uma amostra antes da ordem em massa?

R: Sim, agradecemos a ordem de amostra para testar e verificar a qualidade. Amostras misturadas são aceitáveis.


P: Podemos imprimir nosso nome de logotipo/ empresa em produtos?

R: Sim, é claro, aceitamos OEM e depois precisamos você fornecer autorização da marca


P: Você aceita a personalização do produto?

R: Sim, é claro, forneça desenhos ou parâmetros específicos, vamos citar você após a avaliação


P: Qual é o tempo de entrega?

R: O prazo de entrega depende das quantidades solicitadas, geralmente dentro de 7 a 20 dias após o recebimento do pagamento.


P: Quais são os seus termos comerciais?

R: Aceitamos EXW, FOB, CIF, FCA, etc.


P: Qual é o seu método de pagamento?  

R: Aceitamos T/T, Western Union, PayPal, L/C irrevogável à vista, etc.


P: Você inspeciona os produtos acabados?

R: Sim, cada etapa de produção e produtos acabados será inspeção pelo departamento de CQ antes de enviar. E forneceremos relatórios de inspeção de mercadorias para sua referência antes de remessa


P: Como resolver os problemas de qualidade após as vendas?

R: Tire fotos dos problemas de qualidade e envie -nos para nossa verificação e confirmação, faremos uma solução satisfeita para você dentro de 3 dias.




Fábrica


Certificado




Hot Tags: Zn12-12 Série Integrada Curto-Circuum de Vacuum Integrated Disjuntor, China, Fabricante, Fornecedor, Fábrica, Preço Baixo, Qualidade, Venda mais recente, Avançado
Enviar consulta
Informações de contato
Para dúvidas sobre painéis de baixa tensão, isoladores de alta tensão, seccionadores de aterramento de alta tensão ou lista de preços, deixe seu e-mail para nós e entraremos em contato em até 24 horas.
X
Utilizamos cookies para lhe oferecer uma melhor experiência de navegação, analisar o tráfego do site e personalizar o conteúdo. Ao utilizar este site, você concorda com o uso de cookies. política de Privacidade
Rejeitar Aceitar